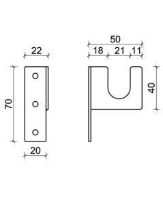
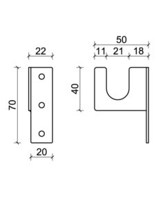
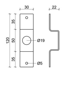
Sbarra antiscasso per persiane e scuri: sistema costituito da un tubo telescopico in acciaio e staffe metalliche da fissare sulle persiane/scuri e sulle spalline della finestra. Inserendo il tubo nelle staffe sulla persiana e allungandolo fino a entrare nelle staffe sul muro, si blocca la persiana in modo semplice e sicuro.
- Art. 41 sbarra estensibile da 750mm a 1200mm, 4 staffe per persiana, 2 staffe a muro, 1 chiave
- Colori: verde 6005, nero 9005, altri a richiesta
- Imballo: 10 sbarre + 70 accessori






